·
加入收藏
·
无障碍阅读
首页
关于水务
水务新闻
业务领域
客户服务
企务公开
新思想学习专栏
加入水务
停水通知
水质公告
招标信息
中标信息
优化营商
政策法规
文件下载
水质信息
清风国企
当前位置:
首页
>
企务公开
>
水质信息
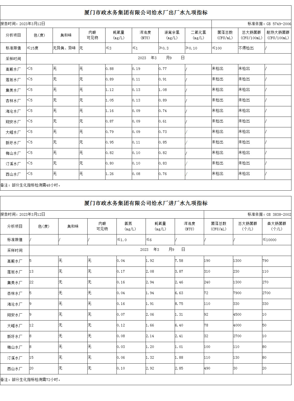
2023年3月9日厦门市政水务集团给水水厂水质信息公布
发表时间:2023/03/12 16:00 文章来源:调度中心 作者:水质信息组
【
收藏
】 【
打印
】 【
关闭
】
厦门市政水务集团有限公司 版权所有 Copyright © 2018 xiamenwater.com All Rights Reserved.
公司地址:中国厦门莲前西路157号水务大厦 邮编:361008
闽公网安备35020302033086号
闽ICP备05034276号-1